歡迎光臨 开云体育在线官网 企業官網!服務熱線:150-9324-8915
值得信賴的防水套管生產廠家專為需要**性能的場所設計
防水套管生產廠家服務谘詢TEL:150-9324-8915
熱門關鍵詞:
想要更深入了解各地 防水套管係列產品 相關資訊,盡在我們的 地域探索 等你發現!

剛性密閉套管規格對照表

文章來源:kaiyun中国官方登录入口 作者:Aofan 時間:2024-01-18 14:06:15 閱讀:392次

剛性密閉套管規格對照表是在建築工程中常用的一個(ge) 重要參考工具。下麵我們(men) 將詳細介紹其意義(yi) 、用途和常見規格,以幫助讀者更好地了解和應用。

剛性密閉套管規格對照表.png

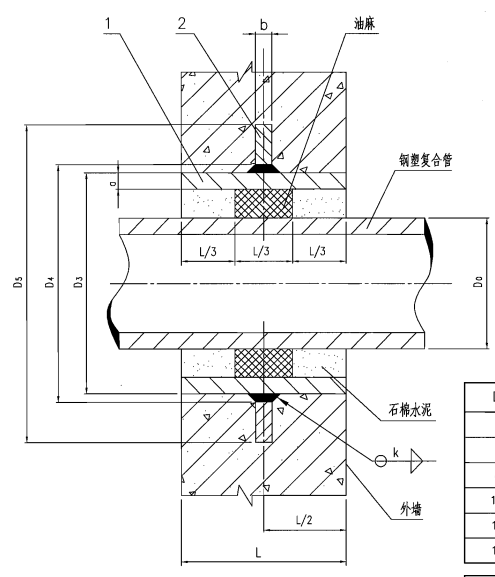
剛性密閉套管A型尺寸表

剛性密閉套管規格對照表是一種標準化的表格,用於(yu) 記錄和比較不同類型的剛性密閉套管的規格參數。這些參數通常包括套管的材質、外徑、內(nei) 徑、壁厚等信息。通過查閱規格對照表,施工人員可以快速確定所需套管的規格,並進行正確的安裝和使用。

剛性密閉套管A型結構圖.png

剛性密閉套管A型結構圖

剛性密閉套管是一種用於(yu) 保護建築物內(nei) 部管線的管道係統。它通常由堅固的材料製成,具有較高的耐久性和防護能力,用於(yu) 保護供水、排水、通風、電纜等管線,確保其正常運行並防止外部物質的侵入。

剛性密閉套管規格對照表的主要用途如下:

1. 選材參考:

通過對照規格表,施工人員可以了解不同材質的剛性密閉套管,如碳鋼,不鏽鋼,鍍鋅鋼等,從(cong) 而選擇適合具體(ti) 應用場景的材料。

2. 規格確定:

規格對照表可供施工人員根據工程需求,確定合適的剛性密閉套管外徑、內(nei) 徑和壁厚,確保管道安裝的準確性和完整性。

3. 配件匹配:

剛性密閉套管通常需要使用配套的連接件、接頭等附件進行安裝。規格對照表可以幫助施工人員確定相應配件的類型和尺寸,以確保安裝過程的順利進行。

常見的剛性密閉套管規格參數:

1. 外徑:

剛性密閉套管的外徑通常以毫米(mm)為(wei) 單位,包括常見的規格如20mm、25mm、32mm等。根據管線的加載需求和空間限製,選擇合適的外徑尺寸非常重要。

2. 內(nei) 徑:

剛性密閉套管的內(nei) 徑也以毫米(mm)為(wei) 單位,可根據管道內(nei) 部設備的尺寸和管線的流量要求來選擇合適的尺寸,常見規格如65mm、80mm、125mm等。

3. 壁厚:

剛性密閉套管的壁厚通常以毫米(mm)為(wei) 單位,具體(ti) 厚度根據材料的強度需求和外界環境的風險因素來確定,常見規格如3.5mm、4.5mm、6mm等。

實際使用中可能會(hui) 存在一些特殊需求的規格,此時可以與(yu) 供應商聯係,**更準確和定製化的剛性密閉套管。

剛性密閉套管規格對照表是建築工程中一個(ge) 重要的參考工具,幫助施工人員選擇合適的套管規格,並確保管道係統的安全、穩定運行。通過了解和應用規格對照表,可以提高工程施工的效率,並使建築物內(nei) 部的管道係統得到有效的保護。

相關(guan) 文章推薦人防的臨(lin) 空牆的內(nei) 側(ce) 和外側(ce) 怎麽(me) 區分

相關(guan) 文章推薦柔性防水套管的性能優(you) 點

相關(guan) 文章推薦开yun体育app官网入口下载在建設工程中的施工技術方法

在線客服
聯係方式

谘詢TEL

150-9324-8915

上班時間

周一到周五

公司TEL

150-9324-8915

官方WX客服
公司微信